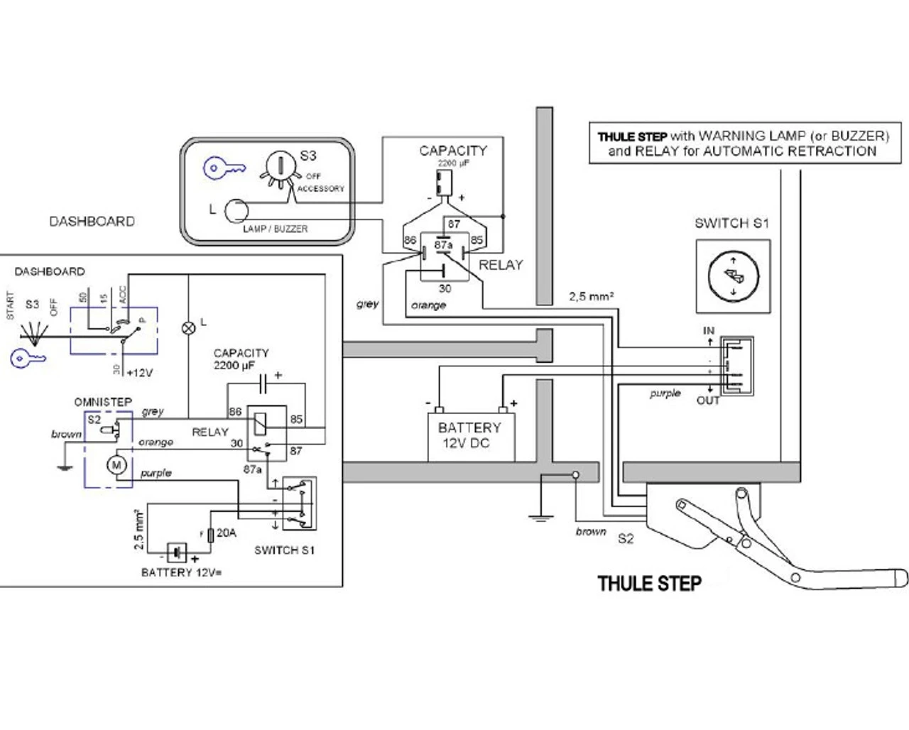
Thule Omnistep Retracting Relay for 12v Caravan Motorhome and Campervan Steps
Relay Kit for 12v Thule Omnisteps
The Thule Omnistep Relay is designed to connect to your vehicle battery, preventing your steps from staying out when you drive away and causing any damage by automatically retracting your steps when you start up your engine.
The Thule Omnistep is the perfect addition to your caravan, campervan and motorhome offering a convenient and practical way to enter your vehicle. The Thule Omnistep can be fitted to both caravan and motorhomes, however, there are multiple variations available, and some that are vehicle specific and will require the selection of particular models or additional parts. If you are unsure, please contact us for support.
Â













Reviews
There are no reviews yet.